電磁流量計485通訊接線和調試
電磁流量計485通訊接線和調試

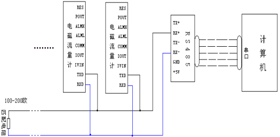
一、電磁流量計485通訊接線
將電磁流量計的TXD和RXD與RS485的RX+和RX-(TX+和TX-也可)相連,假如接的線比擬長請您在遠端加一個100-200歐的匹配電阻,再把RS485插到微機的串口。

二、電磁流量計485通訊測試辦法
1、銜接線后給電磁流量計通電,進入參數設置畫面,設置流量計的通訊地址(比方1)和通訊速度(比方9600)。
2、在光盤里你能夠看到有兩個名為《WIN98》和《WINXP》的文件夾,依據您的電腦所運用的系統選擇其中一個(WIN2000也用WINXP),在文件夾內有一個名為《SETUP》的文件,雙擊后便進入裝置狀態,之后依照提示操作。
3、裝置完成后,在開端菜單的的程序里您能夠看到新增加了一個名為L-mag (51)程序,點擊便翻開了通訊測試程序。

4、在軟件上設置通訊口(有的計算機有兩個串口,只要一個串口時設置為com1)、通訊地址和通訊速率使他與您在電磁流量計設置的相同,點擊開端。
5、這樣在您的微機上就會顯現出瞬時流量、流速等相應的數據,點擊上面通訊方式菜單的多機通訊進入多機顯現畫面

6、軟件自動搜索通訊地址,點擊上面的菜單顯現多臺電磁流量計對應的數據,比照微機上的數據應該與電磁流量計所顯現的數據相同。


一、電磁流量計485通訊接線
將電磁流量計的TXD和RXD與RS485的RX+和RX-(TX+和TX-也可)相連,假如接的線比擬長請您在遠端加一個100-200歐的匹配電阻,再把RS485插到微機的串口。

二、電磁流量計485通訊測試辦法
1、銜接線后給電磁流量計通電,進入參數設置畫面,設置流量計的通訊地址(比方1)和通訊速度(比方9600)。
2、在光盤里你能夠看到有兩個名為《WIN98》和《WINXP》的文件夾,依據您的電腦所運用的系統選擇其中一個(WIN2000也用WINXP),在文件夾內有一個名為《SETUP》的文件,雙擊后便進入裝置狀態,之后依照提示操作。
3、裝置完成后,在開端菜單的的程序里您能夠看到新增加了一個名為L-mag (51)程序,點擊便翻開了通訊測試程序。

4、在軟件上設置通訊口(有的計算機有兩個串口,只要一個串口時設置為com1)、通訊地址和通訊速率使他與您在電磁流量計設置的相同,點擊開端。
5、這樣在您的微機上就會顯現出瞬時流量、流速等相應的數據,點擊上面通訊方式菜單的多機通訊進入多機顯現畫面

6、軟件自動搜索通訊地址,點擊上面的菜單顯現多臺電磁流量計對應的數據,比照微機上的數據應該與電磁流量計所顯現的數據相同。

上一條:差壓變送器安裝要求、正確使用方法以及接線方
下一條:小盲區超聲波液位計安裝指導
騰泰儀表推薦
相關公司動態
- TT-UFZ簡易式重錘浮標液位計和TT-UFZ翻板式重錘浮標液位計的區別
- 定制HC膜片液位變送器TT-2088G-2M
- 1/2螺紋特殊定制阻旋料位開關
- 差壓變送器一般常見故障
- 氣體渦輪流量計的工作原理和日常維護
- 超聲波明渠流量計的技術參數和接線方法
- 手持式超聲波流量計的工作原理和主要用途
- 流量差報警儀的應用范圍、基本參數和操作方法
- 智能流量積算儀的概述和基本操作
- 電浮筒液位計的原理和應用范圍
- 投入式液位變送器原理、結構及安裝調試
- 智能旋進旋渦流量計的使用方法及參數切換設置
- 液位上下限報警控制、液位高低報警控制及無線
- 超聲波液位計的裝置與設置
- 防爆型超聲波液位計的裝置方式及注意事項
- 氣體腰輪流量計的造型要求和安裝注意事項
- 旋進旋渦流量計與氣體渦輪流量計的主要區別
- TT-LWGY系列渦輪流量計的用途和原理
- 孔板流量計的特點
- TT-UQK浮球液位控制器的調試和安裝
- 磁翻板液位計的安裝保養
- 氣體渦輪流量計如何安裝
- 分體式超聲波液位計接線圖
- 投入式液位變送器在靜、動水中的電氣連接
- 導波雷達物位計測量原理技術要求
- 插入式電磁流量計安裝要求
- 氣體渦輪流量計的使用和維護
- 孔板流量計的安裝要求和維護注意事項
- 浮標液位計的安裝與使用
- 雙金屬溫度計的種類和用途

