精巧型壓力變送器
一、精巧型壓力變送器概述
精巧型壓力變送器是被測介質的壓力直接作用于傳感器的膜片上(不銹鋼或陶瓷),使膜片產生與介質壓力成正比的微位移,使傳感器的電阻值發生變化,和用電子線路檢測這一變化,并轉換輸出一個對應于這一壓力的標準測量信號。
二、精巧型壓力變送器性能指標
1、測量范圍:-100kPa…0kPa~10kPa…40MPa
2、過壓:≤1.5 倍滿量程壓力或 110MPa(取*小值)
3、精度:±0.5%FS;±1.0%FS
4、工作溫度:-10℃~60℃
5、供電電源:11V~28VDC
6、輸出信號:4mA~20mA DC(兩線制);0/1V~5V DC(三線制,隔爆型)
7、外殼防護:接插件型 IP65;電纜型 IP68
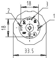
三、精巧型壓力變送器外形及安裝
1、外形尺寸
2、安裝
(1)變送器安裝前應注意:
安裝地點的壓力是否會超過變送器的量程;
所測液體是否與變送器的結構材料相兼容;
所測液體是否會堵塞變送器的引壓孔。
(2)安裝方法
變送器的安裝方向為垂直向下安裝。 一般情況下,變送器應向上垂直于水平方向安裝。若受環境條件限制,允許變送器*大傾斜至與水平方向成30°角安裝。
四、電氣連接

接線方法:
(1)如果變送器的插頭已經連接在變送器本體上,若需拿下插頭, 請用小螺絲刀擰松插頭頂部中心螺釘,即可將插頭從變送器本 體上的插座里拔出來。若想把插頭與變送器本體相連接,請按 相反順序操作。(注意:變送器本體的插座請用戶不要輕易擰下,更不能隨便 調節變送器里的電位器,以免影響使用。)
(2)若想拆開插頭,以便連接導線,請首先抽掉插頭頂部中心螺釘,用小型一字螺絲刀插入插頭底部標有“lift”的一角稍用力向 外撬,插頭芯即可和插頭外殼分離。
(3)請選用Φ4.5~Φ7mm 外徑的屏蔽電纜,把電纜線穿過插頭外殼 上的電纜孔,將相應的電纜 線連接到插頭芯的接線端子上,接線端子旁標有明顯的編號。(注意接線可靠,避免線間出現短路。)
(4) 把電纜線稍抽緊,將插頭芯推進插頭外殼(可以聽到“咔嗒” 一聲),用手擰緊外殼上電纜緊固螺母,即完成接線。
(5)若需拆開插頭,以便拆掉導線,請首先用手擰松插頭外殼上的 電纜緊固螺母,使導線沒有被擠緊,然后按第(2)項操作取出插頭芯,用小螺絲刀把線從接線端子上取下,抽出電纜線,再 安裝好插頭芯及插頭與插座的連接。(注意:插頭重新安裝于插座時,應將插頭上的矩形橡膠圈恢復 到卸下前的狀態,以確保變送器的防護等級。)返回
傳真:0517-86842019
QQ:65283268
郵箱:tengtaiyibiao@126.com
地址:淮安市金湖縣金北街道辦陳橋工業集中區4-4號 ?







