智能差壓控制器
一、智能差壓控制器概述1、智能差壓控制器是采用壓阻傳感器采集技術,加之高精度工業線路元件集合而成的具有高穩定性。2、智能差壓控制器能采集實時壓力,顯示實際壓力并*多輸出4路開關量和1路模擬量,集開關和···
訂購熱線:199-6183-9222
一、智能差壓控制器概述
1、智能差壓控制器是采用壓阻傳感器采集技術,加之高精度工業線路元件集合而成的具有高穩定性。
2、智能差壓控制器能采集實時壓力,顯示實際壓力并*多輸出4路開關量和1路模擬量,集開關和變送器為一體的隔爆型壓力開關。*大量程160MPa,耐壓值為選型量程的1.5倍。
3、智能差壓控制器能采集實時差壓,顯示實際差壓并*多輸出4路開關量和1路模擬量,集開關和變送器為一體的隔爆型差壓開關。*大量程2MPa,耐差壓值為選型量程的1.5倍,*大靜壓20MPa(兩端同時施壓)。
二、智能差壓控制器應用
泵及壓縮機,水處理系統,機電自動化,工程機械,液壓與氣動系統,醫用設備。
三、智能差壓控制器參數
1、電 源:DC24V±5%、AC220V±5%
2、量程范圍:-0.1~100MPa
3、設定范圍:20%FS~80%FS
4、過 載:150%FS
5、顯 示:四位LCD
6、顯示精度:0.5%FS
7、防護等級:IP65
8、模擬輸出:4-20mA;負載≤600Ω
9、過程連接:M20×1.5
四、智能差壓控制器選型
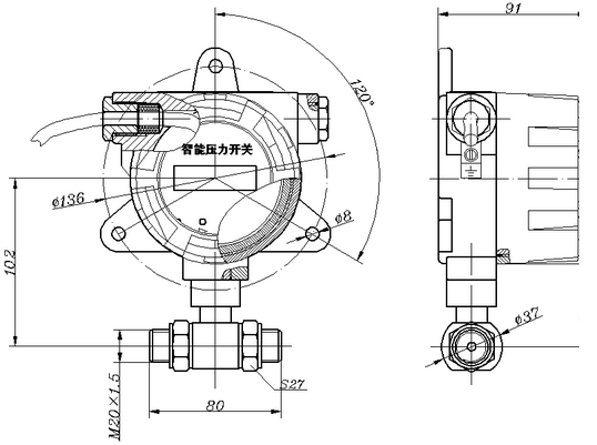
五、智能差壓控制器外形
上一條:差壓式多參量變送器
下一條:沒有了!
產品中心
Product Center
聯系騰泰
咨詢熱線:0517-86842019
傳真:0517-86842019
QQ:65283268
郵箱:tengtaiyibiao@126.com
地址:淮安市金湖縣金北街道辦陳橋工業集中區4-4號 ?




