壓阻式壓力變送器
一、壓阻式壓力變送器產品概述壓阻式壓力變送器采用經過計算機自動測試并用激光調阻工藝進行了寬溫度范圍的零點和靈敏度補償的帶不銹鋼隔離膜片的OEM壓阻式傳感器作為信號測量元件,傳感器信號經過信號處理電路后···
訂購熱線:199-6183-9222
一、壓阻式壓力變送器產品概述
壓阻式壓力變送器采用經過計算機自動測試并用激光調阻工藝進行了寬溫度范圍的零點和靈敏度補償的帶不銹鋼隔離膜片的OEM壓阻式傳感器作為信號測量元件,傳感器信號經過信號處理電路后轉換為標準信號輸出,產品經過了長期老化及穩定性考核等工藝嚴格篩選,性能穩定可靠。應用于環境比較惡劣的露天現場,同時要求能夠現場觀測壓力顯示、需要零點遷移和量程調節的場合。適用于石油、化工、冶金、電力、輕工、紡織、建材、水文地質、食品、醫藥、環境控制等行業的過程控制和壓力測量。
二、壓阻式壓力變送器產品特點
1、電子殼體為鋁合金材料,外殼防護等級IP65;
2、有反極性保護、瞬間過電流、過電壓和抗干擾保護措施;
3、多種信號輸出;
4、零點可遷移,量程可調節;
5、可配LCD數顯表、LED數顯表;
6、與介質接觸部分為不銹鋼,具有齊平膜片、鉭膜片等特殊形式;
三、壓阻式壓力變送器外性能指標

四、壓阻式壓力變送器外形結構
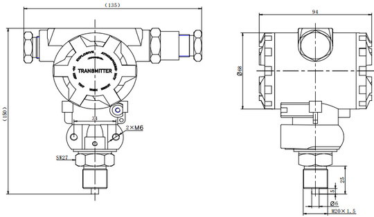
1、普通型/本安防爆型變送器結構及外形尺寸
2、隔爆型變送器結構及外形尺寸
返回
上一條:壓力變送器
下一條:單晶硅壓力變送器
產品中心
Product Center
聯系騰泰
咨詢熱線:0517-86842019
傳真:0517-86842019
QQ:65283268
郵箱:tengtaiyibiao@126.com
地址:淮安市金湖縣金北街道辦陳橋工業集中區4-4號 ?







